Пн-Пт: 9:00-18:00, Сб: 9:00-14:00 +373 XX XXX XXX
RU RO

Предложения по 142.566

CAR
142.566
142.566
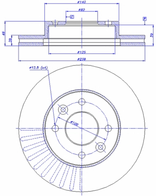
Тормозной диск
CAR
Характеристики
проверочное значение ECE R90 APPROVED
Высота [мм] 46 мм
Вес [кг] 4,11 кг
Тип тормозного диска 8
Толщина тормозного диска (мм) 20 мм
Минимальная толщина [мм] 17,7 мм
Наружный диаметр [мм] 238 мм
Количество отверстий 4
Диаметр центрирования [мм] 60 мм
для артикула № 142566
OE номера (оригинальные)
Аналоги (35)
Применимость (17)

Привезём под заказ

Этого товара сейчас нет в наличии, но мы можем привезти его для вас. Оставьте номер телефона и мы свяжемся с вами.

Срок доставки: 3-7 дней
Гарантия на все запчасти
Или позвоните: +373 XX XXX XXX