Пн-Пт: 9:00-18:00, Сб: 9:00-14:00 +373 XX XXX XXX
RU RO

Предложения по 150.070

CAR
150.070
150.070
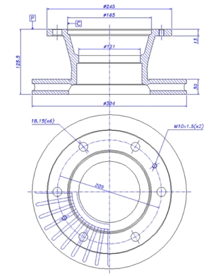
Тормозной диск
CAR
Характеристики
Высота [мм] 128,5 мм
Вес [кг] 14,1 кг
Тип тормозного диска 8
Толщина тормозного диска (мм) 30 мм
Минимальная толщина [мм] 27,75 мм
Наружный диаметр [мм] 304 мм
Количество отверстий 6
Диаметр центрирования [мм] 165 мм
для артикула № 150070
Аналоги (65)

Привезём под заказ

Этого товара сейчас нет в наличии, но мы можем привезти его для вас. Оставьте номер телефона и мы свяжемся с вами.

Срок доставки: 3-7 дней
Гарантия на все запчасти
Или позвоните: +373 XX XXX XXX