Пн-Пт: 9:00-18:00, Сб: 9:00-14:00 +373 XX XXX XXX
RU RO

Предложения по 151.200

CAR
151.200
151.200
Тормозной диск
CAR
Характеристики
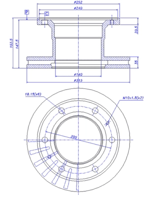
Высота [мм] 153,5 мм
Вес [кг] 18 кг
Тип тормозного диска 8
Толщина тормозного диска (мм) 35 мм
Минимальная толщина [мм] 32 мм
Наружный диаметр [мм] 315 мм
Количество отверстий 6
Диаметр центрирования [мм] 240 мм
для артикула № 151200
Аналоги (15)

Привезём под заказ

Этого товара сейчас нет в наличии, но мы можем привезти его для вас. Оставьте номер телефона и мы свяжемся с вами.

Срок доставки: 3-7 дней
Гарантия на все запчасти
Или позвоните: +373 XX XXX XXX