Предложения по 23-0838
METELLI
23-0838
Тормозной диск
METELLI
ECE-R90
Характеристики
проверочное значение
ECE-R90
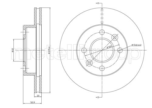
Высота [мм]
51,0 мм
Тип тормозного диска
8
Толщина тормозного диска (мм)
20,0 мм
Наружный диаметр [мм]
235,5 мм
Количество отверстий
4
Ø фаски [мм]
61,0 мм
OE номера (оригинальные)
Аналоги
(61)
Применимость
(2)
| DACIA | 1.4 (B41A, B41B, B41C) | (02/2003 - 10/2005) |
| DACIA | 1.9 D (B41E, B41F, B41G) | (02/2003 - ...) |
Привезём под заказ
Этого товара сейчас нет в наличии, но мы можем привезти его для вас. Оставьте номер телефона и мы свяжемся с вами.
Срок доставки: 3-7 дней
Гарантия на все запчасти
Или позвоните: +373 XX XXX XXX
×