Предложения по 800-704C
CIFAM
800-704C
Тормозной диск
CIFAM
ECE-R90
Характеристики
проверочное значение
ECE-R90
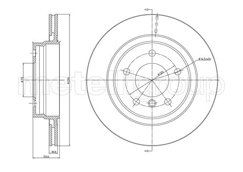
Высота [мм]
59,2 мм
Тип тормозного диска
8
Толщина тормозного диска (мм)
19,0 мм
Наружный диаметр [мм]
294,0 мм
Количество отверстий
5
Ø фаски [мм]
75,0 мм
Поверхность
0
OE номера (оригинальные)
Аналоги
(100)
Применимость
(57)
| BMW | 318 Ci | (12/1999 - 08/2001) |
| BMW | 318 d | (03/2003 - 02/2005) |
| BMW | 318 d | (10/2002 - 03/2003) |
| BMW | 318 i | (02/1998 - 09/2001) |
| BMW | 318 i | (09/2001 - 07/2005) |
| BMW | 318 i | (10/1999 - 09/2001) |
| BMW | 318 i | (12/1997 - 09/2001) |
| BMW | 320 Cd | (02/2005 - 12/2007) |
| BMW | 320 Cd | (11/2003 - 07/2006) |
| BMW | 320 Ci | (2006 - 12/2007) |
| BMW | 320 Ci | (09/2000 - 12/2007) |
| BMW | 320 Ci | (02/1999 - 08/2001) |
| BMW | 320 d | (02/1998 - 08/2001) |
| BMW | 320 d | (09/2001 - 05/2005) |
| BMW | 320 d | (04/1998 - 09/2001) |
| BMW | 320 d | (04/2001 - 09/2001) |
| BMW | 320 d | (03/2000 - 09/2001) |
| BMW | 320 d | (07/1998 - 09/2001) |
| BMW | 320 d | (09/2001 - 02/2005) |
| BMW | 320 i | (03/1998 - 09/2000) |
| BMW | 320 i | (2002 - 12/2002) |
| BMW | 320 i | (10/1999 - 09/2000) |
| BMW | 320 i | (03/1998 - 12/2001) |
| BMW | 320 i | (04/2001 - 02/2005) |
| BMW | 320 i | (09/2000 - 03/2005) |
| BMW | 320 i | (09/2000 - 02/2005) |
| BMW | 320 td | (09/2001 - 02/2005) |
| BMW | 320 td | (10/2001 - 12/2002) |
| BMW | 323 Ci | (04/2000 - 09/2000) |
| BMW | 323 i | (06/2000 - 09/2000) |
| BMW | 323 i | (03/1998 - 07/2000) |
| BMW | 323 i | (09/1998 - 09/2000) |
| BMW | 323 i | (04/1998 - 09/2000) |
| BMW | 323 i | (03/1998 - 09/2000) |
| BMW | 325 Ci | (09/2000 - 07/2005) |
| BMW | 325 Ci | (02/2003 - 07/2003) |
| BMW | 325 Ci | (09/2000 - 08/2006) |
| BMW | 325 Ci | (09/2000 - 05/2006) |
| BMW | 325 Ci | (04/2001 - 08/2003) |
| BMW | 325 i | (09/2000 - 04/2005) |
| BMW | 325 i | (09/2000 - 02/2005) |
| BMW | 325 i | (09/2000 - 03/2005) |
| BMW | 325 i | (04/2001 - 04/2005) |
| BMW | 325 ti | (04/2001 - 12/2004) |
| BMW | 325 ti | (03/2002 - 12/2004) |
| BMW | 325 ti | (02/2003 - 07/2003) |
| BMW | 325 ti | (08/2003 - 12/2004) |
| BMW | 325 xi | (09/2000 - 02/2005) |
| BMW | 328 Ci | (07/1999 - 05/2000) |
| BMW | 328 Ci | (02/1999 - 05/2000) |
| BMW | 328 Ci | (09/1999 - 12/2000) |
| BMW | 328 Ci | (12/1998 - 05/2000) |
| BMW | 328 i | (07/1998 - 06/2000) |
| BMW | 328 i | (06/1999 - 05/2000) |
| BMW | 328 i | (04/1998 - 06/2000) |
| BMW | 328 i | (02/1998 - 06/2000) |
| BMW (BRILLIANCE) | 325 i | (07/2003 - 06/2005) |
Привезём под заказ
Этого товара сейчас нет в наличии, но мы можем привезти его для вас. Оставьте номер телефона и мы свяжемся с вами.
Срок доставки: 3-7 дней
Гарантия на все запчасти
Или позвоните: +373 XX XXX XXX
×