Предложения по 800-764C
CIFAM
800-764C
Тормозной диск
CIFAM
ECE-R90
Характеристики
проверочное значение
ECE-R90
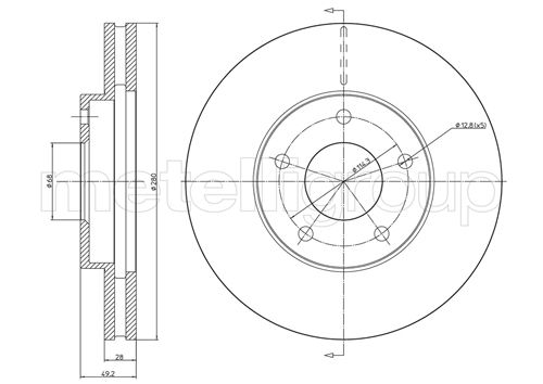
Высота [мм]
49,3 мм
Тип тормозного диска
8
Толщина тормозного диска (мм)
28,0 мм
Наружный диаметр [мм]
280,0 мм
Количество отверстий
5
Ø фаски [мм]
68,0 мм
Поверхность
0
OE номера (оригинальные)
Аналоги
(100)
Применимость
(67)
| NISSAN | 1.6 | (03/2002 - 08/2008) |
| NISSAN | 1.6 | (2002 - 04/2006) |
| NISSAN | 1.6 | (07/2002 - 08/2008) |
| NISSAN | 1.6 | (07/2002 - 04/2006) |
| NISSAN | 1.6 Visia | (2002 - 04/2006) |
| NISSAN | 1.8 | (08/2000 - 02/2006) |
| NISSAN | 1.8 | (07/2002 - 10/2008) |
| NISSAN | 1.8 | (03/2002 - 05/2007) |
| NISSAN | 1.8 | (03/2002 - 10/2008) |
| NISSAN | 1.8 | (12/2002 - 02/2006) |
| NISSAN | 1.8 LPG | (03/2002 - ...) |
| NISSAN | 1.9 dCi | (04/2003 - ...) |
| NISSAN | 1.9 dCi | (08/2002 - 10/2007) |
| NISSAN | 1.9 dCi | (04/2003 - 10/2007) |
| NISSAN | 2.0 | (02/2003 - 2009) |
| NISSAN | 2.0 | (07/2001 - 09/2007) |
| NISSAN | 2.0 | (07/2001 - 2013) |
| NISSAN | 2.0 | (09/2001 - 2013) |
| NISSAN | 2.0 | (07/2002 - 10/2008) |
| NISSAN | 2.0 | (2000 - 09/2003) |
| NISSAN | 2.0 | (1999 - 12/2005) |
| NISSAN | 2.0 | (08/2000 - 2003) |
| NISSAN | 2.0 | (03/2002 - 12/2006) |
| NISSAN | 2.0 | (03/2002 - ...) |
| NISSAN | 2.0 | (03/2002 - 10/2008) |
| NISSAN | 2.0 4x4 | (06/2001 - 09/2007) |
| NISSAN | 2.0 4x4 | (06/2001 - 2013) |
| NISSAN | 2.0 4x4 | (09/2001 - 2013) |
| NISSAN | 2.0 4x4 | (07/2001 - 2013) |
| NISSAN | 2.0 4x4 | (07/2001 - 09/2007) |
| NISSAN | 2.0 4x4 | (02/2002 - 03/2004) |
| NISSAN | 2.0 V6 24V | (03/2000 - 11/2003) |
| NISSAN | 2.2 DCi | (10/2004 - 2013) |
| NISSAN | 2.2 DCi FWD | (06/2001 - 09/2004) |
| NISSAN | 2.2 Di | (03/2002 - 04/2003) |
| NISSAN | 2.2 Di | (03/2002 - 05/2007) |
| NISSAN | 2.2 Di | (07/2002 - 05/2007) |
| NISSAN | 2.2 Di 4x4 | (07/2001 - 09/2007) |
| NISSAN | 2.2 Di 4x4 | (11/2001 - 2009) |
| NISSAN | 2.2 Di 4x4 | (07/2001 - 10/2005) |
| NISSAN | 2.2 dCi | (04/2003 - 04/2006) |
| NISSAN | 2.2 dCi | (12/2003 - 2013) |
| NISSAN | 2.2 dCi | (08/2000 - 02/2006) |
| NISSAN | 2.2 dCi | (2005 - 2013) |
| NISSAN | 2.2 dCi | (09/2003 - 02/2006) |
| NISSAN | 2.2 dCi | (04/2003 - ...) |
| NISSAN | 2.2 dCi | (12/2003 - 09/2007) |
| NISSAN | 2.2 dCi 4x4 | (06/2001 - 09/2007) |
| NISSAN | 2.2 dCi 4x4 | (2008 - 10/2009) |
| NISSAN | 2.2 dCi 4x4 | (2005 - 2013) |
| NISSAN | 2.2 dCi 4x4 | (06/2001 - 12/2008) |
| NISSAN | 2.5 4x4 | (09/2002 - 2013) |
| NISSAN | 2.5 4x4 | (02/2006 - 09/2007) |
| NISSAN | 2.5 4x4 | (09/2002 - 09/2007) |
| NISSAN | 2.5 4x4 | (09/2001 - 02/2007) |
| NISSAN | 2.5 4x4 | (11/2002 - 2013) |
| NISSAN | 2.5 4x4 | (10/2001 - 2006) |
| NISSAN | 2.5 4x4 | (09/2002 - 12/2007) |
| NISSAN | 2.5 4x4 | (11/2003 - 2008) |
| NISSAN | 2.5 4x4 | (11/2001 - 2009) |
| NISSAN | 2.5 V6 24V | (03/2000 - 11/2003) |
| NISSAN | 3.0 | (2000 - 12/2007) |
| NISSAN | 3.0 | (2000 - 09/2003) |
| NISSAN | 3.0 V6 24V | (03/2000 - 11/2003) |
| NISSAN | 3.0 V6 24V | (2000 - 06/2001) |
| NISSAN | 3.0 V6 24V | (04/1999 - 06/2001) |
| NISSAN | 3.0 V6 24V | (2000 - 12/2002) |
Привезём под заказ
Этого товара сейчас нет в наличии, но мы можем привезти его для вас. Оставьте номер телефона и мы свяжемся с вами.
Срок доставки: 3-7 дней
Гарантия на все запчасти
Или позвоните: +373 XX XXX XXX
×