Предложения по DCV823036
DYNAMATRIX
DCV823036
Шарнирный комплект, приводной вал
DYNAMATRIX
RS · Inner
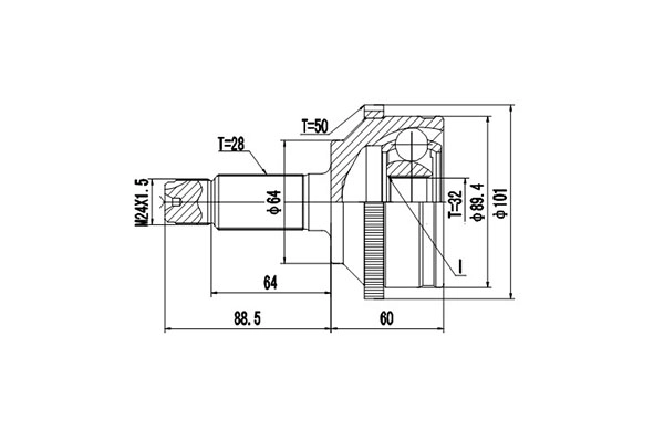
Характеристики
Сторона установки
RS
Длина [мм]
149 мм
Внешнее зацепление со стороны колеса
28
Внутренне зубчатое соединение со стороны колеса
32
Диаметр прокладки [мм]
64 мм
Число зубцов кольца ABS
50
Спецификация
Inner
OE номера (оригинальные)
Аналоги
(64)
Применимость
(3)
| HONDA | 1.8 i (CG8) | (10/1998 - 12/2002) |
| HONDA | 1.8 i (CH6) | (12/1999 - 12/2002) |
| HONDA | 2.0 i (CG9) | (10/1998 - 2001) |
Привезём под заказ
Этого товара сейчас нет в наличии, но мы можем привезти его для вас. Оставьте номер телефона и мы свяжемся с вами.
Срок доставки: 3-7 дней
Гарантия на все запчасти
Или позвоните: +373 XX XXX XXX
×