Предложения по MDC2649
MINTEX
MDC2649
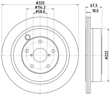
Тормозной диск
MINTEX
Характеристики
Высота [мм]
67,3 мм
Тип тормозного диска
3
Толщина тормозного диска (мм)
18 мм
Наружный диаметр [мм]
320 мм
Дополнительный артикул / дополнительная информация 2
52
Дополнительный артикул / дополнительная информация 2
57
OE номера (оригинальные)
Аналоги
(65)
Применимость
(13)
| SUBARU | 3.0 (WXE) | (2005 - ...) |
| SUBARU | 3.0 (WXE) | (2005 - 12/2007) |
| SUBARU | 3.0 (WXE) | (10/2006 - ...) |
| SUBARU | 3.0 (WXE) | (10/2006 - 12/2007) |
| SUBARU | 3.0 (WXE) | (10/2006 - 12/2008) |
| SUBARU | 3.6 | (09/2009 - ...) |
| SUBARU | 3.6 | (02/2008 - 02/2014) |
| SUBARU | 3.6 | (2008 - 03/2014) |
| SUBARU | 3.6 | (11/2009 - 03/2014) |
| SUBARU | 3.6 (WXF) | (09/2007 - ...) |
| SUBARU | 3.6 (WXF) | (09/2007 - 12/2013) |
| SUBARU | 3.6 (WXF) | (11/2007 - ...) |
| SUBARU | 3.6 (WXF) | (03/2008 - 03/2011) |
Привезём под заказ
Этого товара сейчас нет в наличии, но мы можем привезти его для вас. Оставьте номер телефона и мы свяжемся с вами.
Срок доставки: 3-7 дней
Гарантия на все запчасти
Или позвоните: +373 XX XXX XXX
×