Предложения по 23-0535
VW
23-0535
Тормозной диск
VW
ECE-R90
Характеристики
проверочное значение
ECE-R90
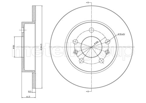
Высота [мм]
44,5 мм
Тип тормозного диска
1
Толщина тормозного диска (мм)
10,5 мм
Наружный диаметр [мм]
265,0 мм
Количество отверстий
5
Ø фаски [мм]
66,0 мм
OE номера (оригинальные)
Аналоги
(100)
Применимость
(45)
| RENAULT | 1.9 dTi (B56J) | (10/1997 - 03/2001) |
| RENAULT | 1.9 dTi (K56J) | (10/1997 - 03/2001) |
| RENAULT | 2.0 | (1994 - 10/1999) |
| RENAULT | 2.0 | (03/1999 - 03/2001) |
| RENAULT | 2.0 | (06/1995 - 02/2001) |
| RENAULT | 2.0 | (11/1993 - 12/1998) |
| RENAULT | 2.0 (556A) | (09/1998 - 12/2000) |
| RENAULT | 2.0 (556A) | (09/1995 - 02/2001) |
| RENAULT | 2.0 (556A) | (09/1999 - 02/2001) |
| RENAULT | 2.0 (B56C/H/N) | (11/1993 - 03/2001) |
| RENAULT | 2.0 (B56C/H/N) | (05/1995 - 06/1996) |
| RENAULT | 2.0 12V (B542, B54E) | (04/1992 - 09/1996) |
| RENAULT | 2.0 12V (B542, B54E) | (04/1992 - 07/1996) |
| RENAULT | 2.0 16V | (09/1995 - 03/2001) |
| RENAULT | 2.0 16V (556A/B) | (09/1999 - 03/2001) |
| RENAULT | 2.0 16V (556A/B) | (06/1998 - 08/2002) |
| RENAULT | 2.0 16V (A56A/B) | (09/1999 - 03/2001) |
| RENAULT | 2.0 16V (B54L) | (07/1996 - 12/2000) |
| RENAULT | 2.0 16V (B56D, B56M) | (09/1995 - 02/2001) |
| RENAULT | 2.0 16V (B56D, B56M) | (06/1995 - 03/2001) |
| RENAULT | 2.0 16V (K56D, K56M) | (09/1995 - 02/2001) |
| RENAULT | 2.0 16V (K56D, K56M) | (09/1996 - 07/1998) |
| RENAULT | 2.0 16V (K56D, K56M) | (09/1995 - 03/2001) |
| RENAULT | 2.2 (B541) | (04/1992 - 07/1996) |
| RENAULT | 2.2 (B543) | (04/1992 - 07/1996) |
| RENAULT | 2.2 dT (B54G) | (07/1996 - 12/2000) |
| RENAULT | 2.2 dT (B569) | (03/1996 - 03/2001) |
| RENAULT | 2.2 dT (K569) | (03/1996 - 03/2001) |
| RENAULT | 2.5 20V (B54F) | (07/1996 - 12/2000) |
| RENAULT | 2.5 dT (B548) | (12/1992 - 07/1996) |
| RENAULT | 2.9 24V (B54N) | (03/1999 - 12/2000) |
| RENAULT | 3.0 | (03/1993 - 10/1996) |
| RENAULT | 3.0 | (02/1993 - 06/1996) |
| RENAULT | 3.0 (B56E, B565, B56R) | (11/1993 - 03/2001) |
| RENAULT | 3.0 (B56E, B565, B56R) | (06/1995 - 03/2001) |
| RENAULT | 3.0 (K56R, K565) | (02/1996 - 03/2001) |
| RENAULT | 3.0 24V (B56V) | (03/1997 - 02/2001) |
| RENAULT | 3.0 24V (B56V) | (05/1995 - 06/1996) |
| RENAULT | 3.0 24V (B56V) | (03/1997 - 03/2001) |
| RENAULT | 3.0 24V (K56V) | (03/1997 - 03/2001) |
| RENAULT | 3.0 Biturbo 4x4 (B545) | (02/1993 - 07/1996) |
| RENAULT | 3.0 V6 (B54B, B544) | (12/1992 - 07/1996) |
| RENAULT | 3.0 V6 (B54B, B544) | (05/1992 - 10/1997) |
| RENAULT | 3.0 V6 (B54M) | (07/1996 - 12/2000) |
| RENAULT | 3.0 V6 4x4 (B54B, B544) | (12/1992 - 07/1996) |
Привезём под заказ
Этого товара сейчас нет в наличии, но мы можем привезти его для вас. Оставьте номер телефона и мы свяжемся с вами.
Срок доставки: 3-7 дней
Гарантия на все запчасти
Или позвоните: +373 XX XXX XXX
×