Пн-Пт: 9:00-18:00, Сб: 9:00-14:00 +373 XX XXX XXX
RU RO

Предложения по 34112226677

BMW
34112226677
34112226677
Тормозной диск
BMW
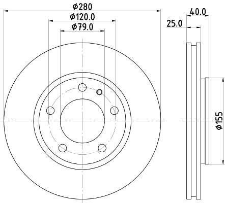
Характеристики
Высота [мм] 40 мм
Тип тормозного диска 3
Толщина тормозного диска (мм) 25 мм
Наружный диаметр [мм] 280 мм
Дополнительный артикул / дополнительная информация 2 52
Дополнительный артикул / дополнительная информация 2 57
Аналоги (32)
Применимость (9)

Привезём под заказ

Этого товара сейчас нет в наличии, но мы можем привезти его для вас. Оставьте номер телефона и мы свяжемся с вами.

Срок доставки: 3-7 дней
Гарантия на все запчасти
Или позвоните: +373 XX XXX XXX