Предложения по 6K9 501 615
SEAT
6K9 501 615
Тормозной барабан
SEAT
Задняя ось
Характеристики
Сторона установки
HA
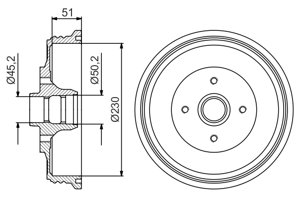
Наружный диаметр тормозного барабана [мм]
275 мм
Внутрен. высота торм. барабана [мм]
51 мм
Общ. высота торм. барабана [мм]
90 мм
Количество отверстий
4
Диаметр центрирования [мм]
50,2 мм
Ø фаски [мм]
100 мм
Дополнительный артикул / дополнительная информация 2
290
Внутренний диаметр тормозного барабана [мм]
230 мм
OE номера (оригинальные)
Аналоги
(79)
Применимость
(23)
| SEAT | 1.4 16V | (04/2000 - 06/2003) |
| SEAT | 1.4 i | (11/1995 - 06/2003) |
| SEAT | 1.6 | (11/1998 - 11/2003) |
| SEAT | 1.6 | (08/1999 - 04/2002) |
| SEAT | 1.6 i | (11/1995 - 05/1998) |
| SEAT | 1.6 i | (07/2000 - 10/2002) |
| SEAT | 1.6 i | (06/1997 - 09/2000) |
| SEAT | 1.7 D | (09/1996 - 06/2003) |
| SEAT | 1.9 D | (11/1995 - 06/2003) |
| SEAT | 1.9 SDI | (11/1995 - 06/2003) |
| SEAT | 1.9 SDI | (04/1997 - 10/2001) |
| VW | 1.4 | (11/1995 - 06/2003) |
| VW | 1.6 | (11/1995 - 05/1997) |
| VW | 1.6 | (06/1997 - 09/2000) |
| VW | 1.7 SDI | (07/1996 - 09/2000) |
| VW | 1.9 D | (02/1998 - 06/2009) |
| VW | 1.9 D | (11/1995 - 2004) |
| VW | 1.9 SDI | (11/1995 - 2004) |
| VW | 1.9 TDI | (09/1996 - 2004) |
| VW | 1.9 TDI | (10/1996 - 2004) |
| VW | 60 1.4 | (11/1995 - 2004) |
| VW | 75 1.6 | (11/1995 - 05/1997) |
| VW | 75 1.6 | (11/1995 - 09/2000) |
Привезём под заказ
Этого товара сейчас нет в наличии, но мы можем привезти его для вас. Оставьте номер телефона и мы свяжемся с вами.
Срок доставки: 3-7 дней
Гарантия на все запчасти
Или позвоните: +373 XX XXX XXX
×